DS2/3适配电机-130系列电机


规格参数
电压等级 | 220V | ||||||||||
电机型号MS-130ST- | M04030 | M10010 | M06025 | M10015 | M10015G | M07725 | M15015 | M15015G | |||
□□-21P0 | □□-21P0 | □□-21P5 | □□-21P5 | □□-21P5 | □□-22P0 | □□-22P3 | □□-22P3 | ||||
电机代码 | 1031 | 1040 | 0042 | 1042 | 0044 | 1044 | 104A | 0043 | 0046 | 1046 | |
额定功率(KW) | 1.2 | 1.0 | 1.5 | 1.5 | 1.5 | 1.5 | 1.5 | 2.0 | 2.3 | 2.3 | |
额定电流(A) | 6.7 | 6.2 | 6.0 | 7.4 | 6.0 | 8.0 | 8.9 | 7.5 | 9.5 | 9 | |
额定转速(rpm) | 3000 | 1000 | 2500 | 2500 | 1500 | 1500 | 1500 | 2500 | 1500 | 1500 | |
最高转速(rpm) | 4000 | 2000 | 3000 | 3000 | 2000 | 2000 | 2500 | 3000 | 2000 | 2000 | |
额定转矩(N·m) | 4 | 10 | 6 | 6 | 10 | 10 | 10 | 7.7 | 15 | 15.1 | |
峰值转矩(N·m) | 10 | 30 | 18 | 18 | 25 | 25 | 26.7 | 22 | 30 | 30.2 | |
反电势常数(V/krpm) | 33 | 106.7 | 65 | 82 | 103 | 61 | 73.3 | 68 | 114 | 101 | |
力矩系数(N·m/A) | 0.54 | 1.612 | 1.0 | 0.81 | 1.67 | 1.25 | 1.12 | 1.03 | 1.58 | 1.68 | |
转子惯量(Kg·m2) | 0.54×10-3 | 1.105×10-3 | 1.26×10-3 | 0.84×10-3 | 1.94×10-3 | 1.272×10-3 | 1.62×10-3 | 1.53×10-3 | 2.77×10-3 | 2.63×10-3 | |
绕组(线间)电阻(Ω) | 2.6 | 1.02 | 1.21 | 0.7 | 1.29 | 0.3 | 0.7 | 1.01 | 1.1 | 0.8 | |
绕组(线间)电感(mH) | 12 | 3.57 | 3.87 | 5.07 | 5.07 | 1.29 | 11 | 2.94 | 4.45 | 14 | |
电气时间常数ms | 4.62 | 3.5 | 3.20 | 7.24 | 3.93 | 4.3 | 15.7 | 2.91 | 4.05 | 17.5 | |
重量(Kg) | 5.9 | 8.434 | 8.9 | 7.2 | 11.5 | 9.340 | - | 10.0 | 14.4 | 12.6 | |
编码器线数(PPR) | 2500 | ||||||||||
极对数 | 4 | ||||||||||
电机绝缘等级 | Class B(130℃) | ||||||||||
防护等级 | IP65 | ||||||||||
使用环境 | 环境温度 | -20℃~+50℃ | |||||||||
环境湿度 | 相对湿度<90%(不结露条件) | ||||||||||
电压等级 | 220V | 380V | |||||||
电机型号MS-130ST- | M07730 | M10025 | M06025 | M10015 | M07725 | M15015 | M10030 | ||
□□-22P4 | □□-22P6 | □□-41P5 | □□-41P5 | □□-42P0 | □□-42P3 | □□-43P0 | |||
电机代码 | 104B | 0045 | 0142 | 0144 | 2144 | 1143 | 1146 | 1148 | |
额定功率(KW) | 2.4 | 2.6 | 1.5 | 1.5 | 1.5 | 2.0 | 2.3 | 3.0 | |
额定电流(A) | 10.5 | 10.0 | 3.7 | 3.5 | 5.6 | 6.4 | 7.3 | 6.4 | |
额定转速(rpm) | 3000 | 2500 | 2500 | 1500 | 1500 | 2500 | 1500 | 3000 | |
最高转速(rpm) | 4000 | 3000 | 3000 | 2000 | 2000 | 3000 | 2000 | 3500 | |
额定转矩(N·m) | 8 | 10 | 6 | 10 | 10 | 7.7 | 15 | 10 | |
峰值转矩(N·m) | 16 | 25 | 18 | 25 | 20 | 19.25 | 45 | 25 | |
反电势常数(V/krpm) | 52.8 | 70 | 110 | 177 | 61 | 61 | 124 | 88.3 | |
力矩系数(N·m/A) | 0.76 | 1.0 | 1.62 | 2.86 | 1.25 | 1.2 | 2 | 1.56 | |
转子惯量(Kg·m2) | 1.27×10-3 | 1.94×10-3 | 1.26×10-3 | 1.94×10-3 | 1.272×10-3 | 1.272×10-3 | 2.44×10-3 | 1.13×10-3 | |
绕组(线间)电阻(Ω) | 0.331 | 0.73 | 3.50 | 4.37 | 0.3 | 0.3 | 1.8 | 0.46 | |
绕组(线间)电感(mH) | 4.7 | 2.45 | 10.75 | 15.00 | 1.29 | 1.29 | 11.6 | 1.52 | |
电气时间常数ms | 14.2 | 3.36 | 3.07 | 3.46 | 4.3 | 4.3 | 6.44 | 3.33 | |
重量(Kg) | 9.8 | 9.8 | 8.9 | 11.5 | 9.34 | 9.34 | 11.1 | 11.4 | |
编码器线数(PPR) | 2500 | ||||||||
极对数 | 4 | ||||||||
电机绝缘等级 | Class B(130℃) | ||||||||
防护等级 | IP65 | ||||||||
使用环境 | 环境温度 | -20℃~+50℃ | |||||||
环境湿度 | 相对湿度<90%(不结露条件) | ||||||||
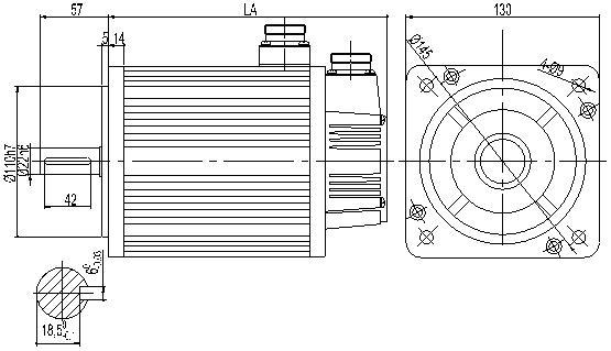
产品尺寸(单位:mm)

扫一扫关注微信公众帐号